電話:
0577-86155736
手機:
0577-86155736
郵箱:
wzcryy@126.com
地址:
溫州市甌海區婁橋工業園繁瑞路11號

SDRLF雙筒大流量回油過濾器是由兩只單筒過濾器及二位六通換向閥組成,結構簡單,使用方便,并帶有旁通閥及濾芯污染堵塞發訊器,以達到保證系統安全的目的。單筒過濾器在工作過程中濾芯堵塞到一定程度需清洗或更換時,要停止主機工作,這樣不僅浪費時間更不能滿足主機連續工作的需要,雙筒過濾器有效地解決了單筒過濾器這方面的缺陷,在不停機的情況下,可清洗或更換濾芯以保證主機正常連續工作。
它的工作特點是當一只過濾器濾芯堵塞需要更換時,不需要停止主機工作,只要打開壓力平衡并轉動換向閥,另一只過濾器即可參加工作,然后更換已堵塞的濾芯。
本過濾器廣泛應用于重型機械、礦山機械、冶金機械等液壓系統。
型號說明

技術參數
| 型號 | 公稱流量(L/min) | 過濾精度(μm) | 通徑(mm) | 公稱壓力(MPa) | 壓力損失(MPa)) | 旁通閥開啟壓力 | 發訊裝置功率(V/W) | 重量 (kg) |
濾芯型號 | 濾芯數量 | |
| Initial | Max | ||||||||||
| SDRLF-A1300×*P | 1300> | 1 3 5 10 20 30 |
Ф100 | 1.6 | 0.2 | 0.35 | 0.4 | 24V/48W 220V/50W |
610 | SFX-1300×* | 1×2 |
| SDRLF-A2600×*P | 2600 | Ф150 | 820 | 2×2 | |||||||
| SDRLF-A3900×*P | 3900 | Ф200 | 850 | 3×2 | |||||||
| SDRLF-A6500×*P | 6500 | Ф250 | 915 | 5×2 | |||||||
| SDRLF-A7800×*P | 7800 | Ф250 | 960 | 6×2 | |||||||
| SDRLF-A9100×*P | 9100 | Ф250 | 990 | 7×2 | |||||||
| 注:*為過濾精度,若使用介質為水一乙二醇,帶發訊器。則過濾器型號為SDRLF·BH-A2600X*P,濾芯型號為SFX·BH-130X*。 | |||||||||||
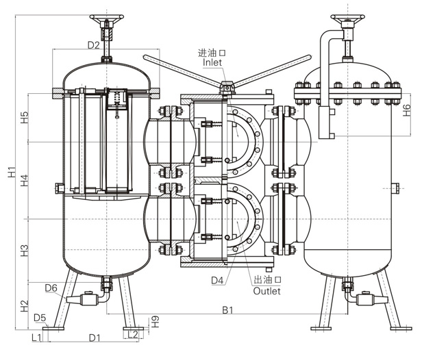
外型安裝尺寸


外接法蘭連接尺寸

| 型號 | 尺寸(mm) | 濾芯總數 | ||||||||||||||||
| B1 | D1 | D2 | D3 | D4 | D5 | D6 | H1 | H2 | H3 | H4 | H5 | H6 | H8 | H9 | L1 | L2 | ||
| SDRLF-A1300×*P | 900 | 450 | 325 | 245 | 100 | 14 | G3/4 | 1200 | 250 | 230 | 365 | 230 | 150 | 200 | 10 | 27 | 80 | 2 |
| SDRLF-A2600×*P | 1125 | 555 | 500 | 412 | 150 | 18 | G1 | 1280 | 250 | 275 | 225 | 260 | 15 | 29 | 100 | 4 | ||
| SDRLF-A3900×*P | 200 | 6 | ||||||||||||||||
| SDRLF-A6500×*P | 1400 | 600 | 610 | 508 | 250 | 23 | 1500 | 350 | 450 | 250 | 270 | 325 | 18 | 31 | 110 | 10 | ||
| SDRLF-A7800×*P | 12 | |||||||||||||||||
| SDRLF-A9100×*P | 14 | |||||||||||||||||