電話:
							0577-86155736
							手機:
							0577-86155736
							郵箱:
							wzcryy@126.com
							地址:
							溫州市甌海區婁橋工業園繁瑞路11號

      DRLF系列大流量回油過濾器安裝在液壓系統回油管路處,用來濾除油液中諸元件磨損的金屬粉末及橡膠質等,使流回油箱中的油液保持清潔。
     該過濾器的濾芯采用化纖過濾材質,具有過濾精度高、通油能力大、原始壓力小、納污量大等優點,并裝有壓差發訊器及旁通閥,當濾芯堵塞到進出口壓差為0.35MPa時,便發出開關信號,此時應清洗或更換濾芯,如不能及時停機或無人來更換濾芯,裝在濾芯上部的旁通閥會自動開啟,以保護系統。
     該過濾器廣泛用于重型機械、礦山機械、冶金機械等的液壓系統。
型號說明

技術參數
| 型號 | 公稱流量(L/min) | 過濾精度(µm) | 通徑(mm) | 公稱壓力(MPa) | 壓力損失(MPa) | 旁通閥開啟壓力 (Mpa) | 發訊裝置功率 | 重量(kg) | 濾芯型號 | 濾芯數量 | |
| Initial | Max. | ||||||||||
| DRLF-A1300x*P | 1300 | 1 3 5 10 20 30 | 100 | 1.6 | 0.1 | 0.35 | 0.4 | 24V/48W 220V/50W | 140 | SFX-1300x* | 1 | 
| DRLF-A2600x*P | 2600 | 150 | 202 | 2 | |||||||
| DRLF-A3900x*P | 3900 | 200 | 225 | 3 | |||||||
| DRLF-A6500x*P | 6500 | 250 | 266 | 5 | |||||||
| DRLF-A7800x*P | 7800 | 250 | 287 | 6 | |||||||
| DRLF-A9100x*P | 9100 | 250 | 308 | 7 | |||||||
注:*為過濾精度。若使用介質為水一乙二醇,公稱流量2600L/min,過濾精度10μ m,帶發訊器。則過濾器型號為DRLF·BH-A2600x10P,濾芯型號為SFX·BH-1300X10。
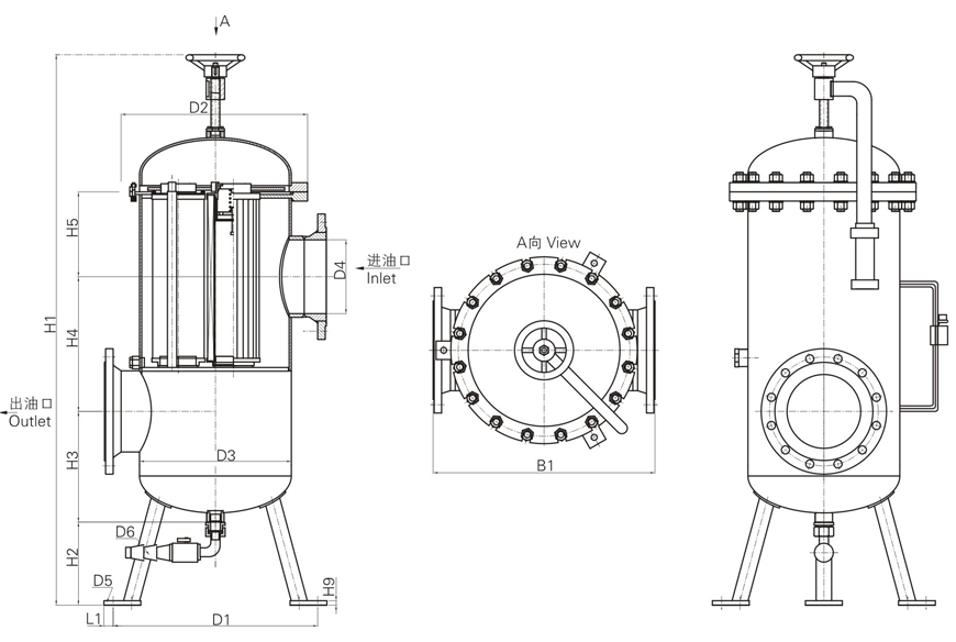
安裝尺寸
外接法蘭連接尺寸
| 型號Model | 尺寸Size(mm) | 濾芯總數 | ||||||||||||||
| B1 | D1 | D2 | D3 | D4 | D5 | D6 | H1 | H2 | H3 | H4 | H5 | H9 | L1 | L2 | ||
| DRLF-A1300×*P | 502 | 450 | 340 | 264 | 100 | 14 | 21 | 1400 | 250 | 230 | 365 | 230 | 12 | 20 | 80 | 1 | 
| DRLF-A2600×*P | 602 | 555 | 500 | 412 | 150 | 18 | 32.4 | 1480 | 275 | 29 | 100 | 2 | ||||
| DRLF-A3900×*P | 200 | 3 | ||||||||||||||
| DRLF-A6500×*P | 754 | 600 | 610 | 516 | 250 | 23 | 1700 | 250 | 350 | 450 | 250 | 18 | 31 | 110 | 5 | |
| DRLF-A7800×*P | 6 | |||||||||||||||
| DRLF-A9100×*P | 7 | |||||||||||||||